Modul Pembelajaran

Multiplexer (MUX) & Demultiplexer (DEMUX)

Penulis: Raihan Daris Ramadhan NIM: 202431033

Dalam arsitektur komputer modern, efisiensi penggunaan jalur data adalah prioritas utama. Mengirimkan ribuan bit data melalui jalur fisik yang terpisah tidak hanya memakan ruang tetapi juga meningkatkan biaya produksi. Di sinilah peran krusial Multiplexer dan Demultiplexer sebagai pengatur lalu lintas data digital yang memastikan informasi sampai ke tujuan dengan tepat menggunakan infrastruktur seminimal mungkin.

Navigasi Cepat:

1. Multiplexer (The Data Selector)

Multiplexer atau sering disingkat MUX adalah sebuah rangkaian logika kombinasional yang dirancang khusus untuk menerima banyak jalur masukan (input) dan memilih salah satu darinya untuk diteruskan ke satu jalur keluaran (output) tunggal. Dalam literatur teknik, MUX sering kali dianalogikan sebagai "Saklar Elektronik" yang bekerja sangat cepat untuk menentukan data mana yang berhak menggunakan jalur keluar pada satu waktu tertentu.

Pemilihan jalur masukan tersebut dikendalikan oleh seperangkat saluran kontrol yang disebut Selector Lines. Sinyal biner yang diberikan pada saluran selektor bertindak sebagai "alamat" yang menunjuk ke saluran input tertentu. Karena fungsinya ini, Multiplexer secara resmi diklasifikasikan sebagai Data Selector.

Multiplexer 2 Input

Gambar 1.1: Representasi Diagram Blok Multiplexer 2 Masukan

Analisis Matematika & Jalur Selektor

Ada aturan baku yang menghubungkan antara jumlah input data dan jumlah pin selektor yang diperlukan. Jika kita memiliki masukan data sebanyak $N$, maka kita membutuhkan sebanyak $n$ saluran selektor, yang didefinisikan dalam rumus eksponensial berikut:

$2^n = N$

Sebagai contoh, jika sebuah sistem memiliki 8 jalur masukan data ($D_0$ hingga $D_7$), maka dibutuhkan 3 pin selektor ($S_0, S_1, S_2$) karena $2^3 = 8$. Pemahaman tentang rumus ini sangat krusial dalam merancang sirkuit terpadu (IC) dan sistem transmisi data yang kompleks.

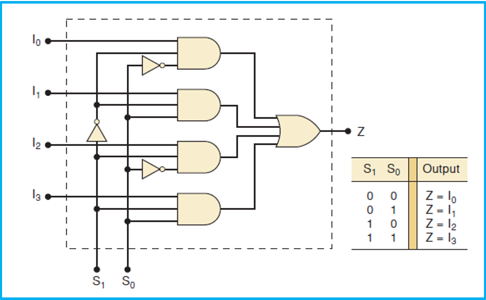
Implementasi Multiplexer 4-ke-1 (4:1 MUX)

Multiplexer 4 masukan adalah salah satu konfigurasi yang paling sering dipelajari. Sirkuit ini memiliki empat jalur data independen. Penggunaan utamanya di industri adalah untuk memilih sinyal frekuensi, di mana masing-masing masukan ($D_0$ sampai $D_3$) membawa sinyal gelombang kotak dengan frekuensi yang berbeda-beda. Outputnya akan mereplikasi frekuensi dari input yang dipilih berdasarkan kondisi selektornya.

Rangkaian MUX 4:1

Gambar 1.2: Skema Rangkaian Internal Menggunakan Gerbang AND-OR

Tabel Kebenaran Logika MUX 4:1

Selektor 1 ($S_1$) Selektor 0 ($S_0$) Input yang Dialirkan Status Output ($Y$)
0 0 Jalur $D_0$ Aktif $Y = D_0$
0 1 Jalur $D_1$ Aktif $Y = D_1$
1 0 Jalur $D_2$ Aktif $Y = D_2$
1 1 Jalur $D_3$ Aktif $Y = D_3$

Tabel ini menunjukkan hubungan biner antara input selektor dan jalur data yang terpilih.

Persamaan Aljabar Boolean MUX 4:1

Untuk memahami cara kerja gerbang logika di dalamnya, kita menggunakan persamaan Boolean. Persamaan ini menyatakan bahwa output $Y$ akan bernilai '1' jika input yang dipilih bernilai '1'. Notasi $\bar{S}$ menunjukkan gerbang NOT (inverter).

$Y = (D_0 \cdot \bar{S_1} \cdot \bar{S_0}) + (D_1 \cdot \bar{S_1} \cdot S_0) + (D_2 \cdot S_1 \cdot \bar{S_0}) + (D_3 \cdot S_1 \cdot S_0)$

2. Demultiplexer (The Data Distributor)

Demultiplexer atau DEMUX adalah rangkaian logika yang melakukan operasi yang benar-benar berlawanan dengan Multiplexer. Jika MUX mengumpulkan data, maka DEMUX bertugas untuk menyebarkan data. Ia menerima satu jalur input tunggal dan mengarahkannya ke salah satu dari banyak jalur output yang tersedia.

Dalam sistem komunikasi data, DEMUX biasanya ditempatkan di sisi penerima (Receiver) untuk mengembalikan data yang telah digabungkan oleh MUX kembali ke jalurnya masing-masing. Oleh karena fungsinya mendistribusikan satu data ke banyak tujuan, DEMUX dikenal dengan sebutan Data Distributor.

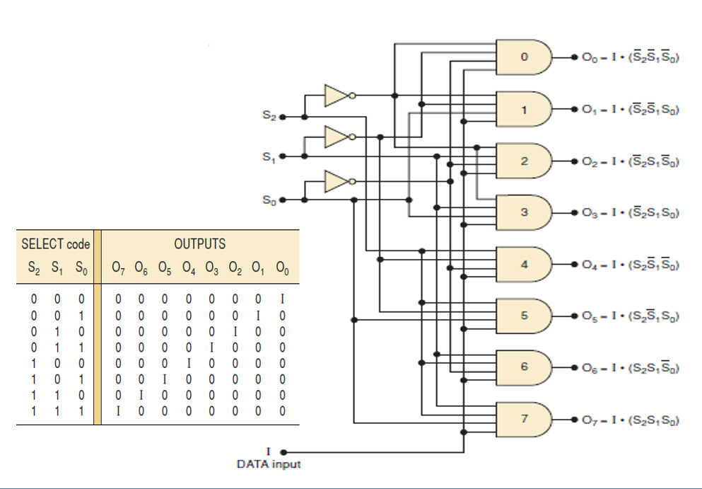
Demultiplexer 8 Output

Gambar 2.1: Diagram Kerja Demultiplexer 1-ke-8 (1:8)

Prinsip Pengalamatan dan Distribusi

Proses distribusi ini bekerja berdasarkan alamat biner yang diberikan pada pin selektor. Sebagai contoh, pada Demultiplexer 1-ke-4, jika input selektor diberikan nilai biner '10', maka data yang ada di terminal masukan akan diteruskan secara utuh ke terminal keluaran $Y_2$, sementara keluaran lainnya ($Y_0, Y_1, Y_3$) akan tetap berada dalam kondisi logika 0 (atau non-aktif).

Tabel Logika DEMUX 1-ke-4

Selektor $S_1$ Selektor $S_0$ Output yang Terpilih Persamaan Kondisi Logika
0 0 $Y_0$ Terhubung $Y_0 = I \cdot \bar{S_1} \cdot \bar{S_0}$
0 1 $Y_1$ Terhubung $Y_1 = I \cdot \bar{S_1} \cdot S_0$
1 0 $Y_2$ Terhubung $Y_2 = I \cdot S_1 \cdot \bar{S_0}$
1 1 $Y_3$ Terhubung $Y_3 = I \cdot S_1 \cdot S_0$

3. Implementasi Hardware: Chip IC (Integrated Circuit)

Dalam implementasi praktikum di laboratorium atau perancangan perangkat elektronik komersial, kita tidak lagi merangkai gerbang logika dasar secara terpisah. Fungsi MUX dan DEMUX telah dikemas dalam bentuk chip sirkuit terpadu (IC) standar. Memahami nomor seri IC ini sangat penting bagi seorang teknisi atau insinyur komputer.

Keluarga IC Multiplexer

  • IC 74151 8-to-1 MUX
  • IC 74153 Dual 4-to-1 MUX
  • IC 74150 16-to-1 MUX

Ket: IC 74151 memiliki pin 'Enable' tambahan untuk mengaktifkan chip secara keseluruhan.

Keluarga IC Demultiplexer

  • IC 74138 1-to-8 DEMUX
  • IC 74139 Dual 1-to-4 DEMUX
  • IC 74154 1-to-16 DEMUX
Fisik IC 74139

Gambar 3.1: Visualisasi Fisik IC 74139 (Keluarga IC Gerbang TTL)

4. Aplikasi dalam Teknologi Modern

Kenapa kita belajar ini? Penggunaan MUX dan DEMUX sangat luas, di antaranya:

  • Telephone: Dalam jaringan telepon, ribuan percakapan suara dikonversi menjadi data digital dan dikirim melalui satu kabel serat optik menggunakan teknik Time Division Multiplexing (TDM). MUX menggabungkannya di pusat, dan DEMUX memisahkannya kembali di tujuan agar suara tidak tertukar.
  • Computer Memory: CPU menggunakan Multiplexer untuk memilih alamat memori spesifik (RAM) yang ingin dibaca. Ini memungkinkan CPU mengakses jutaan lokasi data hanya dengan beberapa pin selektor alamat.
  • Broadcasting: Satu frekuensi televisi digital dapat membawa beberapa saluran (berita, film, olahraga) sekaligus. MUX menggabungkan saluran-saluran tersebut menjadi satu aliran data, dan perangkat TV Anda (DEMUX) memisahkannya kembali saat Anda menekan tombol remot.

Video Referensi Pembelajaran

1. Multiplexer - Demultiplexer

Video ini menjelaskan secara visual bagaimana aliran bit data berpindah dari satu titik ke titik lain. Sangat cocok bagi pemula yang ingin memahami konsep tanpa terlalu banyak rumus matematika di awal.

2. Multiplexer - Demultiplexer

Penjelasan mendalam dari sisi akademis yang membahas implementasi gerbang logika AND, OR, dan NOT untuk membentuk sebuah Multiplexer. Video ini akan sangat membantu dalam persiapan ujian Teknik Digital.